天津新华能源设备科技有限公司

DLY3-10A

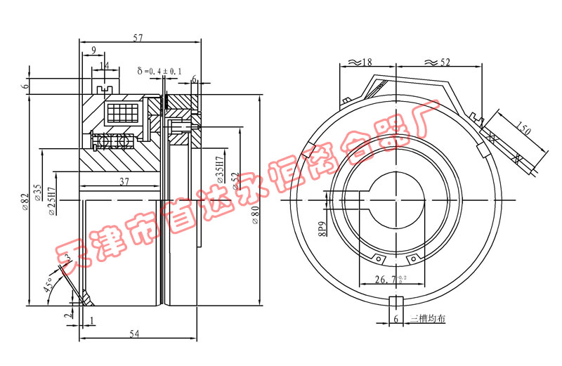
DLY3系列电磁离合器为牙嵌式无滑环电磁离合器主要用于机械传动系统中,可在主、从动部分相对转速较低或为零的情况下,实现从动部分与主动部分的结合,从而达到制动,换向定位,位移等目的。广泛用于金属加工机械,冶金轧钢机械,包装机械,医疗机械,食品加工机械,纺织印染机械,造纸机械,精密机床等行业。离合器在下列条

立即咨询 在线询价

产品介绍

技术文档下载

DLY3系列电磁离合器为牙嵌式无滑环电磁离合器主要用于机械传动系统中,可在主、从动部分相对转速较低或为零的情况下,实现从动部分与主动部分的结合,从而达到制动,换向定位,位移等目的。广泛用于金属加工机械,冶金轧钢机械,包装机械,医疗机械,食品加工机械,纺织印染机械,造纸机械,精密机床等行业。

离合器在下列条件下能可靠的工作:

1.周围空气温度为-5℃--+40℃。

2.在无爆炸危险的介质中,且介质中无足以腐蚀金属和破坏绝缘的气体及导电尘埃。

3.离合器需在有润滑油的条件下工作。

4.离合器线圈的电压波动不超过+5%和-15%的额定电压。

5.离合器安装地点的海拔不超过2000米。

主要性能参数


规格
Size

额定传递力矩
Rated Transmitting
Torque
N·m

额定电压:
Rated Voltage
DCV

线圈消耗功率 (20℃)
Coil Consumption
power(20℃)
W

允许最高结合转速
Max Engagement
Revolution
r/min

允许最高转速
Allowed Max
Revolution
r/min

10A

100

24

30

35

4000

3-5.jpg


产品应用

在线留言