

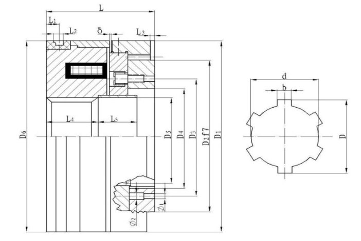
DLY1系列电磁离合器为牙嵌式有滑环电磁离合器主要用于机械传动系统中,可在主、从动部分相对转速较低或为零的情况下,实现从动部分与主动部分的结合,从而起到起停换向,定位等目的。广泛用于金属加工机械,冶金轧钢机械,包装机械,医疗机械,食品加工机械,纺织印染机械,造纸机械,精密机床等行业。
立即咨询 在线询价


DLY1系列电磁离合器为牙嵌式有滑环电磁离合器主要用于机械传动系统中,可在主、从动部分相对转速较低或为零的情况下,实现从动部分与主动部分的结合,从而起到起停换向,定位等目的。广泛用于金属加工机械,冶金轧钢机械,包装机械,医疗机械,食品加工机械,纺织印染机械,造纸机械,精密机床等行业。
离合器在下列条件下能可靠的工作:
1.周围空气温度为-5℃--+40℃。
2.在无爆炸危险的介质中,且介质中无足以腐蚀金属和破坏绝缘的气体及导电尘埃。
3.离合器需在有润滑油的条件下工作。
4.离合器线圈的电压波动不超过+5%和-15%的额定电压。
5.离合器安装地点的海拔不超过2000米。
主要性能参数
规格 | 额定传递力矩 | 额定电压: | 线圈消耗功率 (20℃) | 允许最高结合转速 | 允许最高转速 |
16 | 160 | 24 | 22 | 25 | 3500 |
40 | 400 | 24 | 29 | 15 | 3000 |
外形与安装尺寸