

DLM0系列离合器为湿式多片有滑环电磁离合器,需要在有润滑的条件下工作,摩擦片磨损小,使用寿命长。径向尺寸小、力矩大、可广泛应用于机床、轧钢、冶金采矿、金属压延、搬运、船舶渔业等设备的机械传动系统中,起到离合,换向、变速等作用。
立即咨询 在线询价


DLM0系列离合器为湿式多片有滑环电磁离合器,需要在有润滑的条件下工作,摩擦片磨损小,使用寿命长。径向尺寸小、力矩大、可广泛应用于机床、轧钢、冶金采矿、金属压延、搬运、船舶渔业等设备的机械传动系统中,起到离合,换向、变速等作用。
离合器在下列条件下能可靠的工作:
1.周围空气温度为-5℃--+40℃。
2.在无爆炸危险的介质中,且介质中无足以腐蚀金属和破坏绝缘的气体及导电尘埃。
3.离合器需在有润滑油的条件下工作。
4.离合器线圈的电压波动不超过+5%和-15%的额定电压。
5.离合器安装地点的海拔不超过2000米。
主要性能参数:
规格 | 额定动力矩 | 额定静力矩 | 空效力矩 | 接通时间 | 断开时间 | 额定电压 | 线圈消耗功率 ( 20 ℃ ) | 允许最高转速 | 重量 | 供油流量 |
2.5 | 12 | 25 | 0.4 | 0.28 | 0.10 | 24 | 13 | 3500 | 1.78 | 0.25 |
6.3 | 50 | 100 | 1.0 | 0.32 | 0.10 | 24 | 19 | 3000 | 2.8 | 0.40 |
16 | 100 | 200 | 2.0 | 0.35 | 0.15 | 24 | 23 | 3000 | 4.66 | 0.65 |
40 | 250 | 500 | 5.0 | 0.40 | 0.20 | 24 | 51 | 2000 | 9.0 | 1.00 |
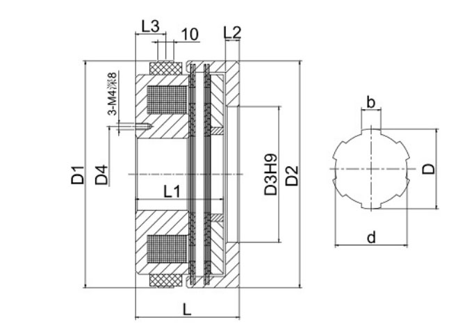
安装示意图
